Вариант 1

Резьбовые соединения деталей Вариант задания в AutoCAD Вариант задания в bCAD Вариант задания в Компас

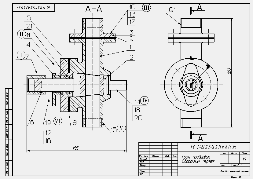
КРАН ПРОБКОВЫЙ  

 Пробковый кран является одним из видов арматурных трубопроводов и предназначается для изменения подачи количества жидкости, проходящей по трубопроводу.

Кран состоит из корпуса 1, в котором установлена коническая пробка 2. Крышка 5 крепится к корпусу винтами 11. На крышке 5 установлена втулка 4, уплотняющая пробку 2 сальниковой набивкой 21. Втулка сальника 4 закреплена на крышке 5 при помощи шпилек 19. На конце пробки для её проворачивания установлена втулка 6, закрепленная рукояткой 7, пробка 2, вращаясь, изменяет поперечное сечение или полностью закрывает отверстие в корпусе, по которому проходит жидкость. К корпусу 1 подсоединяется  два трубопровода (они не показаны), с одной стороны- к резьбовому концу фланца 3, с другой- к муфте 15, установленной на резьбовом патрубке корпуса. Полное прилегание сопрягаемых поверхностей пробки 2 и корпуса 1 достигается конической формой этих деталей. Герметизация корпуса 1 и крышки 5 осуществлена прокладкой 8, а фланца 3 и корпуса 1- прокладкой 9.

Методические указания

 Чертеж пробкового крана выполнить в масштабе 1:1.

На чертеже выполнить соединения :

I – соединить пробку 2 и втулку 6 запрессовкой рукоятки 7, диаметр которой равен 10 мм, а длина – 80 мм;

II – выполнить соединение корпуса 1 и крышки 5 винтами 11;

III – соединить корпус 1 и фланец 3 болтами 10, установить пружинные шайбы 17 и гайки 13;

IV – установить шайбу 18, гайку 14 и шплинт 20;

V – подсоединить к корпусу 1 муфту 15;

VI – соединить крышку 5 и втулку сальника 4 шпильками 19 (материал корпуса – сталь), установить пружинные шайбы 16 и гайки 12.

Длину крепежных изделий и диаметр резьбы подобрать самостоятельно.

Заполнить в спецификации графу Стандартные изделия

Резьбовые соединения деталей Вариант задания в AutoCAD Вариант задания в bCAD Вариант задания в Компас