Вариант 26

Резьбовые соединения деталей Вариант задания в AutoCAD Вариант задания в bCAD

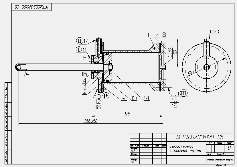
Гидроцилиндр 

Гидроцилиндр является агрегатом гидросистемы и предназначается для сообщения возвратно-поступательного движения рабочему органу изделия, соединенному со штоком гидроцилиндра.

Гидроцилиндр состоит из цилиндра 1, к которому с одной стороны крепится при помощи болтов 10, шайб 18 и гаек 12 крышка 3.С другой стороны на корпусе установлена при помощи шпилек 20, шайб 19 и гаек 13 крышка 8. В цилиндре установлен поршень 2, в проточке которого расположено резиновое кольцо.

Поршень крепится на штоке 5 при помощи гайки 14. На крышку 3 при помощи винтов 11, втулка 6, поджимающая манжету 16. Поршень расположен во втулке 4. На резьбовую бобышку крышки 3 необходимо установить угольник 17.

Поступательное движение поршня 2 вправо относительно корпуса цилиндра 1 происходит при подаче жидкости под давлением из системы через угольник 17 и штуцер крышки 3. Жидкость подается в полость между поршнем 2 и крышкой 3 и перемещает его вправо. Для сообщения движения штоку 5 влево жидкость под давлением подается по системе к правому штуцеру крышки 8 и, заполняя полость между поршнем 2 и крышкой 8, перемещает поршень влево.

Уплотнение штока 5 осуществляется манжетой 16, поджимаемой втулкой 6. Для избежания просачивания жидкости из одной полости цилиндра в другую на поршне 2 установлено резиновое кольцо 15. Уплотнение крышек 3 и 8 с цилиндром 1 осуществляется прокладками 7 и 9.

Методические указания

Чертеж гидроцилиндра выполнить на формате А2 в масштабе 1:1 в двух изображениях.

На чертеже выполнить следующие соединения:

1 – соединить втулку 6 и крышку 3 винтами 11 (резьба М8);

2 – подсоединить к штуцеру крышки 3 угольник 17 (резьба G 3/8);

3 – выполнить соединение цилиндра 1, крышки 8 и рамы (изображена тонкими линиями) к которой крепится цилиндр шпильками 20 (резьба М12, материал цилиндра – чугун), установить шайбы пружинные 19 и гайки 13;

4 – соединить цилиндр 1 и крышку 3 болтами 10 (резьба М10), установить шайбы пружинные 18 и гайки 12.

Заполнить в спецификации графу «Стандартные изделия»

Резьбовые соединения деталей Вариант задания в AutoCAD Вариант задания в bCAD