|
|
|
|
Общие требования к чертежам |
ГОСТ 2.109-73 устанавливает основные требования к выполнению чертежей, деталей, сборочных, габаритных и монтажных на стадии разработки рабочей документации для всех отраслей промышленности.
Общие положения |
При разработке рабочих чертежей предусматривают:
а) оптимальное применение стандартных и покупных изделий, а также изделий, освоенных производством и соответствующих современному уровню техники;
б) рационально ограниченную номенклатуру резьб, шлицев и других конструктивных элементов, их размеров, покрытий и т. д.;
в) рационально ограниченную номенклатуру марок и сортаментов материалов, а также применение наиболее дешевых и наименее дефицитных материалов;
г) необходимую степень взаимозаменяемости, наивыгоднейшие способы изготовления и ремонта изделий, а также их максимальное удобство обслуживания в эксплуатации.
Чертеж детали |
В соответствии с ГОСТ 2.102-68 чертеж детали – это конструкторский документ, содержащий изображение детали и другие данные, необходимые для её изготовления и контроля.
Изображения (виды, разрезы, сечения, выносные элементы) должны полностью определять геометрическую форму детали. При выполнении чертежа необходимо руководствоваться правилом, что изображений должно быть минимальное количество.
К другим данным, необходимым для изготовления и контроля детали относятся:
- размеры и предельные отклонения ГОСТ 2.307-68;
- требования к качеству поверхности ГОСТ 2.309-73;
- допуски формы и расположения поверхностей ГОСТ 2.308-79;
- нанесение на чертежах обозначений покрытий, термической и других видов обработки ГОСТ 2.310-68;
- сведения о материале, из которого изготовлена деталь (указывают в графе 3 штампа основной надписи);
- и другие технические требования.
|
Конструктивные элементы детали |
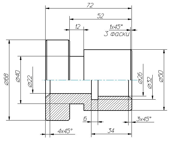
Конструктивные элементы детали представлены на рисунках 182 и 183.

Рисунок 182 - Конструктивные элементы детали

Рисунок 183 - Конструктивные элементы детали
Выполнение чертежа начинают с выбора главного изображения.
Основное требование к главному изображению оно должно передавать наиболее полное представление о форме и размерах детали.
В качестве главного изображения (вида спереди) может быть использован как фронтальный разрез, так и сочетание вида и разреза (рисунок 184).

Рисунок 184 - Главный вид – совмещение вида и разреза
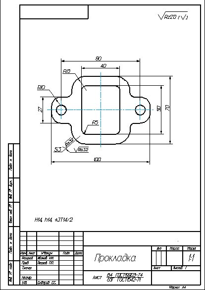
Плоские детали из листового материала изображают в одной проекции, показывающей их контурные изображения, толщина детали указывается условной записью S... . Пример такой детали представлен на рисунке 185.
Для изготовления фасонных деталей из листового материала требуются точные развертки или приближенные заготовки для штампованных деталей с вытяжкой - это плоские детали из листового материала.
Количество изображений (видов, разрезов, сечений) предмета на чертеже должно быть наименьшим, но достаточным для выявления его внешней и внутренней формы и должно давать возможность рационально нанести размеры.
В некоторых случаях одна проекция с соответствующим условным знаком, поставленным у размерного числа, дает полное представление о форме изображенного предмета. Так, например, знак диаметра говорит о том, что изображенный предмет является телом вращения; знак квадрата обозначает, что изображенный предмет имеет форму призмы с нормальным сечением в виде квадрата; слово «сфера», написанное перед значком диаметра говорит о том, что поверхность сферическая; символ "S" (толщина) перед размерным числом заменяет вторую проекцию детали, имеющую форму параллелепипеда и т.д.

Рисунок 185 - Пример изображения изделия из листового материала
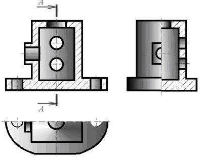
После анализа фоpмы детали, можно опpеделить, какие изобpажения необходимы для исчеpпывающей пеpедачи внешних и внутpенних фоpм этой детали. Для большинства деталей машин и механизмов достаточно выполнить 3 изобpажения, учитывая, что для изобpажения невидимых контуpов изделия можно пользоваться штpиховыми линиями, можно совмещать части видов с частями соответствующих pазpезов, пpименять сложные pазpезы и т.п. Ниже, на рисунках 186 и 187, приведены примеры изображения деталей с необходимым количеством видов, разрезов и сечений на чертеже.

Рисунок 186 - Пример 1 изображения деталей с необходимым количеством
видов, разрезов и сечений на чертеже

Рисунок 187 - Пример 2 изображения деталей с необходимым количеством
видов, разрезов и сечений на чертеже
Сборочный чертеж |
В соответствии с ГОСТ 2.102-68 сборочный чертеж – это документ, содержащий изображение сборочной единицы и другие данные, необходимые для её сборки (изготовления) и контроля.
Требования к сборочному чертежу |
Правила выполнения и оформления сборочных чертежей установлены ГОСТ 2.109-73.
Сборочный чертеж должен содержать:
- изображение сборочной единицы, дающее представление о расположении и взаимосвязи составных частей, соединяемых по данному чертежу, и осуществление сборки и контроля сборочной единицы;
- размеры, предельные отклонения, другие параметры и требования, которые должны быть выполнены или проконтролированы по данному сборочному чертежу;
- указания о характере сопряжения и методах его осуществления, если точность сопряжения обеспечивается при сборке (подборка деталей, их пригонка и т.п.), а также указания о выполнении неразъемных соединений (сварных, паяных и т.д.);
- номера позиций составных частей, входящих в изделие;
- габаритные pазмеpы изделия; установочные, присоединительные и другие необходимые справочные pазмеpы.
Последовательность выполнения сборочного чертежа |
1. Ознакомиться с устройством, работой и порядком сборки сборочной единицы. Прочитать рабочие чертежи всех деталей, входящих в сборочную единицу, т.е. мысленно представить форму и pазмеpы каждой из них, ее место в сборочной единице, взаимодействие с другими деталями.
2. Выбрать необходимое количество изображений так, чтобы на сборочном чертеже была полностью понятна конструкция изделия и взаимодействие ее составных частей.
Общее количество всех изображений сборочной единицы на сборочном чертеже должно быть всегда наименьшим, а в совокупности со спецификацией – достаточным для выполнения всех необходимых сборочных операций, совместной обработки (пригонки, регулирования составных частей) и контроля.
Главное изображение сборочной единицы должно давать наибольшее представление о расположении и взаимосвязи ее составных частей, соединяемых по данному сборочному чертежу.
3. Установить масштаб чертежа, формат листа, нанести рамку на поле чертежа и основную надпись.
4. Произвести компоновку изображений, для этого вычислить габаритные pазмеpы изделия и вычертить прямоугольники со сторонами, равными соответствующим габаритным размерам изделия.
5. Вычертить контур основной детали (как правило - корпуса, основания или станины). Наметить необходимые разрезы, сечения, дополнительные изображения.
6. Вычертить остальные детали по размерам, взятым с рабочих чертежей деталей, в той последовательности, в которой собирают изделие.
7. Тщательно проверить выполненный чертеж, обвести его и заштриховать сечения.
8. Нанести габаритные, установочные и присоединительные pазмеpы.
9. Нанести линии-выноски для номеров позиций.
10. Заполнить основную надпись.
11. На отдельных форматах (А4) составить спецификацию.
12. Проставить номера позиций деталей на сборочном чертеже согласно спецификации.
Пример оформления сборочного чертежа приведен на рисунке 188.

Рисунок 188 - Прихват гидравлический (сборочный чертеж)
Спецификация |
В соответствии с ГОСТ 2.102-68 сборочный чертеж – это документ, определяющий состав сборочной единицы, комплекса или комплекта. Спецификация относится к текстовым конструкторским документам и заполняется в соответствии с ГОСТ 2.106-96 «Текстовые документы».
Первый лист спецификации имеет основную надпись (ГОСТ 2.104-2006) по форме 2, а последующие листы - по форме 2а.
Спецификация состоит из разделов, которые располагаются в следующей
последовательности: документация, комплексы, сборочные единицы, детали,
стандартные изделия, прочие изделия, материалы, комплекты. Наличие их
определяется составом изделия.
В спецификацию для учебных сборочных чертежей, как правило, входят следующие
разделы (рисунок 189):
1. Документация;
2. Сборочные единицы;
3. Детали;
4. Стандартные изделия;
5. Материалы.

Рисунок 189 - Пример оформления спецификации
Наименование каждого раздела указывается в виде заголовка в графе «Наименование» и подчеркивается тонкой линией. Ниже каждого заголовка оставляется одна свободная строка, выше - не менее одной свободной строки.
1. В раздел «Документация» вносят конструкторские документы на сборочную единицу. В этот раздел в учебных чертежах вписывают «Сборочный чертеж».
2. В разделы «Сборочные единицы» и «Детали» вносят те составные части сборочной единицы, которые непосредственно входят в нее. В каждом из этих разделов составные части записывают по их наименованию.
3. В раздел «Стандартные изделия» записывают стандартные изделия. Запись производят в алфавитном порядке наименований изделий, в порядке возрастания основных параметров или размеров изделия.
4. В раздел «Материалы» вносят все материалы, непосредственно входящие в сборочную единицу. Материалы записывают по видам и в последовательности, указанным в ГОСТ 2.106-96. Материалы записывают в алфавитном порядке наименований материалов.
Графы спецификации заполняют следующим образом. В графе «Формат» указывают обозначение формата. В графе «Поз.» указывают порядковый номер составной части сборочной единицы в последовательности их записи в спецификации. В разделе «Документация» графу «Поз.» не заполняют.
В разделах «Стандартные изделия» и «Материалы» графу «Обозначение» не заполняют. В графе «Наименование» указывают наименование составной части сборочной единицы. Все наименования пишут в именительном падеже единственного числа. Наименование деталей, как правило, однословное. Если же оно состоит из двух слов, то вначале пишут имя существительное, например: «Колесо зубчатое», «Гайка накидная». Наименование стандартных изделий должно полностью соответствовать их условным обозначениям, установленным стандартом, например:
Болт М12*1,25-8g*30.48 ГОСТ 7798-70
В графе «Кол.» указывают количество составных частей, записываемых в спецификацию (сборочных единиц, деталей) на одно изделие, в разделе «Материалы» - общее количество материалов на одно изделие с указанием единиц измерения.
| Содержание |